Total
Search
1. 처리장치의 개요
1.1. 중앙처리장치
•
중앙처리장치
◦
CPU: Central Processing Unit
•
처리 장치와 제어장치가 결합된 형태
◦
처리장치 - 데이터를 처리하는 연산 실행
◦
제어장치 - 연산의 실행순서를 결정
•
처리장치와 제어장치의 관계
1.2. 처리장치의 구성
•
산술논리연산장치와 레지스터들로 구성
◦
산술논리연산장치 (ALU: Arithmetic and LogicUnit)
▪
산술,논리,비트연산 등의 연산을 수행
◦
레지스터(Register)
▪
연산에 사용되는 데이터나 연산의 결과를 저장
▪
RAM 보다 속도가 빠름. 빠른 성능을 위해 CPU 내 데이터 저장
•
산술논리연산장치(ALU)는 독립적으로 데이터를 처리하지 못하며, 반드시 레지스터들과 조합하여 데이터를 처리
2. 마이크로 연산
2.1. 마이크로 연산
•
레지스터에 저장되어 있는 데이터에 대해 이루어지는 기본적인 연산
◦
한 레지스터의 내용을 다른 레지스터로 옮기는 것
◦
두 레지스터의 내용을 합하는 것
◦
레지스터의 내용을 1만큼 증가시키는 것 등
•
처리장치의 동작원리를 이해하기 위해서는 마이크로 연산을 이해해야 함
2.2. 레지스터 전송 마이크로 연산
•
레지스터 전송 마이크로 연산 (register transfer micro-operation)
•
레지스터의 표현
•
레지스터 전송 마이크로 연산
◦
한 레지스터에서 다른 레지스터로 2진 데이터를 전송하는 연산
▪
레지스터 사이의 데이터 전송은 연산자 ‘←’ 로표시
•
하드웨어적인 측면에서의 레지스터 전송
•
레지스터 전송문
•
레지스터 전송문장에서 사용되는 기본적인 기호
2.3. 산술 마이크로 연산
•
산술 마이크로 연산 (arithmetic micro-operation)
•
레지스터 내의 데이터에 대해서 실행되는 산술연산
•
기본적인 산술 연산으로는 덧셈, 뺄셈, 1증가, 1감소, 그리고 보수연산이 있다.
2.4. 논리 마이크로 연산
•
논리 마이크로 연산 (logic micro-operation)
•
레지스터 내의 데이터에 대한 비트를 조작하는 연산
•
기본적인 논리연산으로는 AND, OR, XOR, NOT연산이 있음
2.5. 시프트 마이크로 연산
•
시프트 마이크로 연산 (shift micro-operation)
•
레지스터 내의 데이터를 시프트(shift) 시키는 연산
•
데이터의 측면 이동에 사용
•
시프트 연산을 수행 하더라도 R2 의 값은 변하지 않는다.
•
sr 이나 sl 에대해서 입력 비트는 0으로 가정한다.
•
출력 비트의 값은 버려진다.
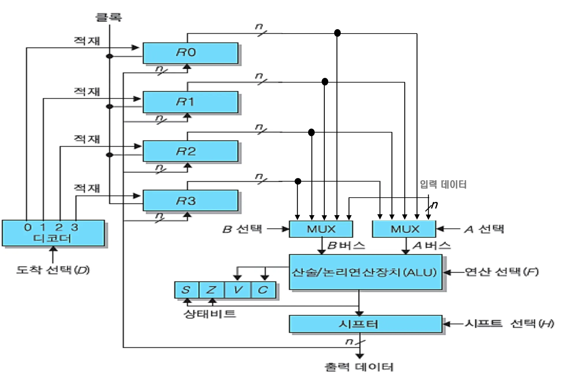
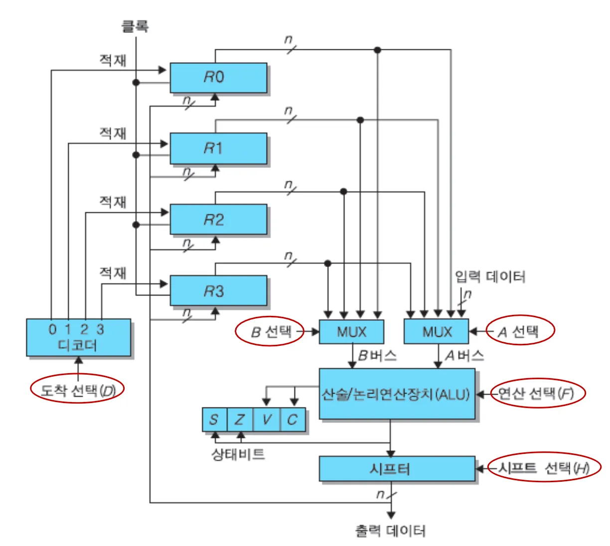
3. 처리장치의 구성요소
•
구성요소
◦
여러개의 레지스터 (레지스터 세트)
◦
산술논리연산장치 (ALU)
◦
내부 버스 (internal bus)
•
간단한 처리장치의 내부 구성도
3.1. 처리장치에서 마이크로 연산의 수행 과정
•
처리장치의 동작
◦
마이크로 연산의 수행과정을 통해 처리장치가 동작
•
마이크로 연산의 수행 과정
1.
지정된 출발 레지스터의 내용이 ALU의 입력으로 전달
2.
ALU에서 그 연산을 실행
3.
그 결과가 도착 레지스터에 전송
•
처리장치에서 마이크로 연산의 수행 과정
◦
처리장치의 구성요소들의 선택신호에 의해 제어됨
◦
예) R0 ← R1 + R2
1.
선택신호 A는 R1의 내용을 버스 A로 적재
2.
선택신호 B는 R2의 내용을 버스 B로 적재
3.
선택신호 F는 ALU에서 산술연산 A+B를 수행
4.
선택신호 H는 시프터에서 시프트 연산을 수행
5.
선택신호 D는 연산 결과를 R0로 적재
4. 처리장치 구성요소 (1) - 내부 버스
•
내부 버스
◦
레지스터들 간의 데이터 전송을 위한 공통선로의 집합
•
내부 버스의 개념도
•
내부 버스를 구성하는 방법
◦
멀티플렉서와 디코더를 이용
◦
멀티플렉서 - 출발 레지스터 선택
◦
디코더 - 도착 레지스터 선택
•
네 레지스터의 버스시스템
•
간단한 내부버스의 구성 및 동작 예시
◦
마이크로 연산: R1 ← R9
◦
R0,R1 이 4비트 레지스터 인 경우
▪
내부버스 구성을 위해 2×1 MUX 4개, 1×2 디코더 1개필요
▪
마이크로 연산을위해 MUX의 선택 신호는 0(2진수), 디코더의 선택 신호는 1(2진수)부여
5. 처리장치 구성요소 (2) - 내부 버스산술논리연산장치(ALU)
5.1. 산술논리연산장치
•
산술연산과 논리연산을 실행하는 조합논리회로
◦
산술연산회로와 논리연산회로의 결합
5.2. 산술연산회로
•
여러 개의 전가산기(FA)를 연속적으로 연결한 병렬가산기로 구성
•
병렬가산기로 들어가는 제어입력 값을 선택하여 여러 가지 형태의 산술연산을 실행
•
산술연산의 종류
◦
예)
▪
A + B 덧셈 가산
•
선택비트 010
•
산술연산회로로 옮겨질수 있는 선택비트가 0일경우 → 0010 4비트 선택신호 필요
▪
산술연산회로 경우의 수 8가지, 논리연산회로 경우의 수 4가지 → 12가지 연산 수행 가능
•
입력으로 들어오는 A,B 2개에 있어 각종 연산을 수행하려면 (12가지 중 1개), ALU에서의 선택비트는 4비트가 있어야함
5.3. 논리연산회로
•
레지스터에 있는 각 비트를 독립된 2진 변수로 간주하여 비트별 연산을 실행
•
AND, OR, XOR, NOT 연산 등이 있으며, 이를 이용하여 복잡한 연산을 유도
5.4. 산술논리연산회로
•
산술연산장치와 논리연산장치를 결합
•
ALU에 대한 연산표
◦
선택신호의 비트 수는 산술논리연산장치의 연산 종류의 수와 연관됨
6. 처리장치 구성요소 (3) - 상태 레지스터(flag register)
•
ALU에서 산술연산이 수행된 후 연산결과에 의해 나타나는 상태 값을 저장
•
상태 레지스터의 구성
◦
C(carry bit) - 캐리 발생 유무
◦
S(sign bit) - 부호 변화 발생 유무
◦
Z(zero bit) - 제로 발생 유무
◦
V(overflow bit) - 오버플로우 발생 유무
•
처리 장치 → 제어 장치로 보내는 상태 신호가 상태 레지스터 값을 의미
•
예) 10 - 5 연산 수행
◦
10 + (5의 2의 보수)
▪
10 = 1010
▪
5의 2의 보수 → 0101 → 1010 → 1011
▪
1010 + 1011 → 10101
▪
1의 캐리 발생 → 상태 변화 → 제어할 때 필요 → 보관 필요 → 상태 레지스터에 보관
7. 처리장치 구성요소 (4) - 시프터(shifter)
•
입력 데이터의 모든 비트들을 각각 서로 이웃한 비트로 자리를 옮기는 시프트 연산을 수행
•
비트 단위의 이동 수행
•
시프터 연산의 종류
7. 제어단어
7.1. 제어단어
•
제어단어
◦
제어변수(선택신호)들의 묶음
•
선택신호
◦
처리장치내에서 수행되는 마이크로 연산을 선택하는 변수
◦
처리장치의 버스, ALU, 시프터, 도착 레지스터 등을 제어
◦
선택신호 즉 제어변수가 특정한 마이크로 연산을 선택
◦
이러한 제어변수들의 묶음을 제어단어 라고 함
7.2. 제어단어의 내역
•
예를 들어 처리장치의 구성이 다음과 같다면
◦
레지스터 세트: 7개의 레지스터(R1 ~ R7)
◦
산술논리연산장치: 12가지 연산을 수행
◦
시프터: 6가지 연산을 수행
•
처리장치의 구조에서 선택신호와 제어단어의 구성
•
각 필드
◦
A필드: ALU로 입력되는 A버스 선택(3비트)
▪
내부 레지스터 (7개)에서 입력데이터가 들어올 수도 있고, 외부 기억장치 (1개)에서도 들아올 수 있음
▪
따라서 8개 주소가 필요 → 3비트 선택신호 필요
◦
B필드: ALU로 입력되는 B버스 선택(3비트)
▪
위와 동일
◦
D필드: 도착레지스터 선택(3비트)
▪
계산된 결과를 어디에 보낼건지? 내부레지스터 (7개) or 외부 기억장치(1개)
▪
8개의 출력 필요 → 3비트 선택신호 필요
◦
F필드: ALU의 연산 선택(4비트)
▪
12개의 연산 → 4비트 선택 신호 필요
◦
H필드: 시프터의 연산 선택(3비트)
▪
6가지 연산 → 3비트 선택 신호 필요
7.3. 제어단어 각 필드의 동작
•
A와 B 필드의 3비트
◦
ALU로 입력되는 각각의 출발 레지스터를 선택
•
D필드의 3비트
◦
ALU의 결과가 저장될 도착 레지스터를 선택
•
F필드의 4비트
◦
ALU에서 이루어지는 12가지 연산 중 하나를 선택
•
H필드의 3비트
◦
시프터에서의 시프트 연산중 하나를선택
→ 전체 16비트로 구성된 선택신호들의 모임(제어단어)을 처리장치의 각 구성요소에 가하면 해당 마이크로 연산이 수행됨
7.3. 제어단어의 내역표
•
제어단어의 내역표 예시
7.4. 제어단어 작성 예
•
R1 ← R2 − R3
•
A 필드 : ALU의 A 버스 입력으로 R2 의 내용을 보낸다.
•
B 필드 : ALU의 B 버스 입력으로 R3 의 내용을 보낸다.
•
D 필드 : 연산 결과를 도착 레지스터 R1으로 보낸다.
•
F 필드 : ALU에서 감산 연산 (F=A-B)을 수행한다.
•
H 필드 : 시프터에서 연산을 수행하지 않는다.(시프트 없음)
•
여러 가지 마이크로 연산에 대한 제어단어의 예
7.5. 제어단어 생성을 위한 효과적인 방법
•
작성된 제어단어를 기억장치에 저장하고 기억장치의 출력을 처리장치의 각 구성요소의 선택신호로 연결
•
기억장치로부터 연속적인 제어단어를 읽음으로써 처리장치에서의 마이크로 연산이 정해진 순서대로, 연속적으로 수행
→ 제어장치의 역할





























